burhan
TURKEY • + Follow
Edit Project
Description
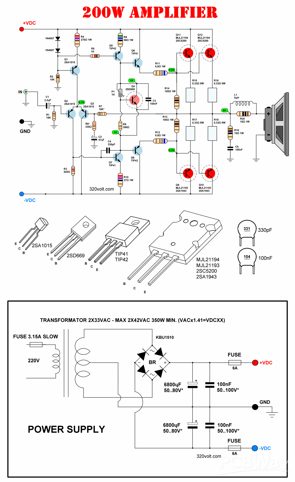
[Updated] 200W Power Amplifier
"200W Power Amplifier" The 200 Watt amp circuit I shared in the article with the quiescent current regulation. Transistor, trimpot and resistor were added. PCB design was edited.
The information I gave in the previous article is valid, I am summarizing.. I would like to state that I have not seen the sound quality of this amp circuit in other transistor amplifiers I have applied, it is a really high quality design…


https://320volt.com/200w-amfi-devresi-2sc5200-2sa1943-guncelleme/
Mar 29,2025
803 views
[Updated] 200W Power Amplifier
2 Layers PCB 49.5 x 100 mm FR-4, 1.2 mm, 1, HASL with lead, Red Solder Mask, White silkscreen
803
0
0
Published: Mar 29,2025
Standard PCB
BOM(Bill of materials)
Purchase
Donation Received ($)
PCBWay Donate 10% cost To Author
Only PCB
PCB+Assembly
*PCBWay community is a sharing platform. We are not responsible for any design issues and parameter issues (board thickness, surface finish, etc.) you choose.
Copy this HTML into your page to embed a link to order this shared project
Copy
Under the
Attribution-ShareAlike (CC BY-SA)
License.
Raspberry Pi 5 7 Inch Touch Screen IPS 1024x600 HD LCD HDMI-compatible Display for RPI 4B 3B+ OPI 5 AIDA64 PC Secondary Screen(Without Speaker)
BUY NOW
Topic
- Comments(0)
- Likes(0)
Upload photo
You can only upload 5 files in total. Each file cannot exceed 2MB. Supports JPG, JPEG, GIF, PNG, BMP
0 / 10000
It looks like you have not written anything. Please add a comment and try again.
You can upload up to 5 images!
Image size should not exceed 2MB!
File format not supported!
View More
View More
VOTING
0 votes
- 0 USER VOTES
0.00
- YOUR VOTE 0.00 0.00
- 1
- 2
- 3
- 4
- 5
- 6
- 7
- 8
- 9
- 10
Design
1/4
- 1
- 2
- 3
- 4
- 5
- 6
- 7
- 8
- 9
- 10
Usability
2/4
- 1
- 2
- 3
- 4
- 5
- 6
- 7
- 8
- 9
- 10
Creativity
3/4
- 1
- 2
- 3
- 4
- 5
- 6
- 7
- 8
- 9
- 10
Content
4/4
More by burhan
-
500W Quasi Complementary Amplifier ZENER V3
https://320volt.com/rms-500w-amplifikator-zener-v3/
-
Washing Machine Motor Control Speed-Power Lathe Machine Saw
Hi, A simple and inexpensive circuit to start the washing machine engine externally. Soft start, Spe...
-
Valentine's day project 2 RGB Led Heart
Hi,PIC12F629 RGB Led Moon Light multi effecthttps://320volt.com/rgb-led-kalp-devresi-pic12f629-mood-...
-
200W Power Amplifier
200W Amplifier circuit does not require quiescent current adjustment.200W RMS with 4-OHM speaker100W...
-
Valentine's day project
Atmega8 led heart, df player music box, rgb mood light demo cardboard box :) https://320volt.com/l...
-
TDA7377 2+1 Amp Compact PCB Design
The TDA7377 can provide 4 separate outputs. For building a 2.1 amp, 2 outputs are used normally, and...
-
8 Mosfet Electronic Load
Hi, The basic circuit form isTL431Provide reference voltage,Current detection resistance LM324. 100x...
-
[Updated] 200W Power Amplifier
"200W Power Amplifier" The 200 Watt amp circuit I shared in the article with the quiescent current r...
-
Peak Hold Vumeter
In this project, a 15 channel Vu meter circuit design with peak hold feature is considered. The circ...
-
SSOP20 to DIP Adapter
SSOP20 to DIP Adapter single layer PCB diy friendly
-
Power Supply board for Amplifier 2X35mm Capacitors
Hello, DC Rectifier, filter symmetrical power supply. 2x35mm cap.
-
Power Supply board for Amplifier 2X25mm Capacitors
Hello, DC Rectifier, filter symmetrical power supply. 2x25mm cap.
-
RMS 250W Hybrid Amplifier
250W Amplifier: High Power and Quality Sound PerformanceThe 250W amplifier is a high-quality and hig...
-
Big Breadboard Project - Mini SMPS
The second phase of the Big Breadboard project, which is the power supply, has been completed and en...
-
Breadboard Regulator Board
https://320volt.com/breadboard-guc-kaynagi-regulator-karti-bolum-1/
-
Capacitor Discharge (Repairing a Switching Power Supply)
Hi, it is a tool with LED indicator to discharge high voltage. Capacitor discharge pen. AC and DC R...
-
AT-ATX Power Supply Car Battery Charger Mod
Hi, a modification to convert an old generation ATX or older AT computer power supply into a 4AH..10...
-
Pulse Desulfator v2
Hi, New PCB 100x50mm You can use it on an external or running system. Battery maintenance sulfur rem...
You may also like
-
ARPS-2 – Arduino-Compatible Robot Project Shield for Arduino UNO
320 0 0 -
A Compact Charging Breakout Board For Waveshare ESP32-C3
671 3 6 -
AI-driven LoRa & LLM-enabled Kiosk & Food Delivery System
653 2 0 -
-
-
-
ESP32-C3 BLE Keyboard - Battery Powered with USB-C Charging
859 0 1 -
-
mammoth-3D SLM Voron Toolhead – Manual Drill & Tap Edition
758 0 1 -
-
AEL-2011 Power Supply Module
1486 0 2







